CS Instruments FA 505 – OEM Dew Point Sensor
เซ็นเซอร์วัดจุดน้ำค้าง (Dew Point) สำหรับการวัดความชื้นตกค้างในระบบลมอัดและก๊าซ เหมาะกับการติดตั้งในเครื่องจักร OEM หรือระบบผลิตในโรงงานอุตสาหกรรม พร้อมอินเทอร์เฟซ 4-20 mA และ Modbus-RTU
Authorized Distributor | Technical Support Thailand | Phone : 092 391 9993 | Email : sales@enlarge.co.th | Line ID : @enlargeengineering
✔ ทีมวิศวกรให้คำปรึกษาฟรี | ✔ จัดส่งทั่วประเทศ | ✔ รองรับงานโรงงานและโครงการ
ข้อมูลสินค้า (Product Description)
FA 505 – Dew point sensor for OEM applications เป็นเซ็นเซอร์ Dew Point สำหรับใช้งานในระบบ OEM ออกแบบมาเพื่อวัด residual moisture หรือจุดน้ำค้างในระบบลมอัดและก๊าซอุตสาหกรรม ช่วงวัดค่ากว้างและมีความเสถียรของสัญญาณยาวนาน เหมาะกับการติดตั้งในระบบผลิตหรือ drying systems ที่มีพื้นที่จำกัด :contentReference[oaicite:2]{index=2}
คุณสมบัติเด่น (Key Features)
- ออกแบบให้เหมาะกับพื้นที่จำกัดในระบบ Drying Systems
- ช่วงการวัด -80…20°Ctd
- ความเสถียรสูง เหมาะสำหรับการใช้งานระยะยาว
- Output 4…20 mA หรือ Modbus-RTU
- ไม่ไวต่อการเกิด Condensation
- ตอบสนองเร็วและทนแรงดันสูงถึง 350 bar (รุ่นพิเศษ)
- รองรับ Sensor Diagnosis ผ่านเครื่องมือภาคสนามหรือ CS Service Software
หลักการทำงาน (Working Principle)
FA 505 ทำงานโดยใช้เซ็นเซอร์แบบ Dew Point เพื่อวัดจุดน้ำค้างหรือ moisture residual ผ่านสัญญาณสื่อสาร 4…20 mA หรือ Modbus-RTU จากนั้นแสดงผลการวัดเพื่อนำไปใช้ในระบบควบคุมหรือการตรวจสอบสภาพอากาศอัดในระบบลมอัดและก๊าซต่าง ๆ :contentReference[oaicite:10]{index=10}
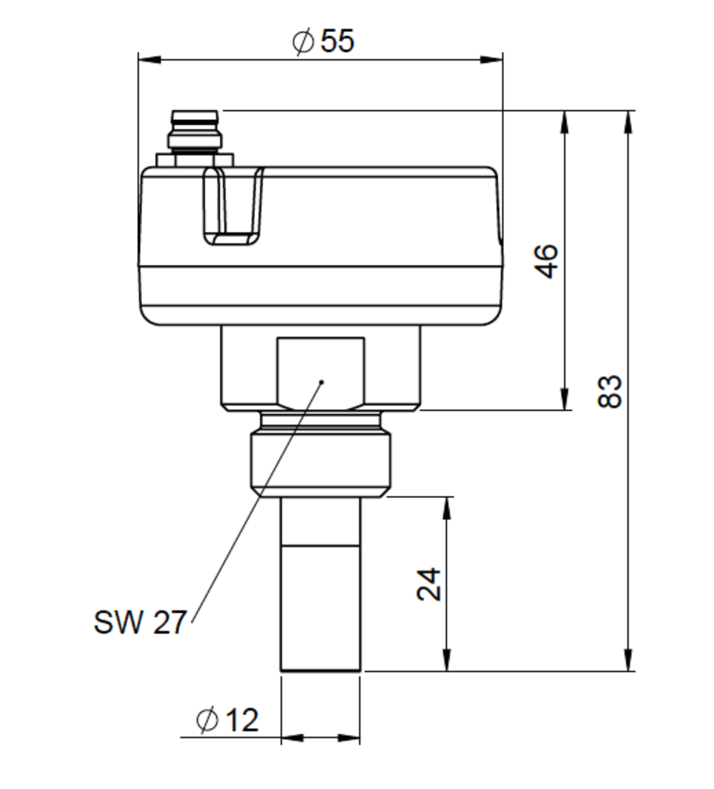
ตารางสเปคทางเทคนิค
| รายการ | รายละเอียด |
|---|---|
| ประเภทสินค้า | OEM Dew Point Sensor |
| รุ่น | FA 505 |
| ช่วงวัด | -80…20°Ctd (สามารถเลือกช่วงอื่นได้) :contentReference[oaicite:11]{index=11} |
| Output | 4…20 mA / Modbus-RTU :contentReference[oaicite:12]{index=12} |
| Pressure Range | -1…50 bar (พิเศษถึง 350 bar) :contentReference[oaicite:13]{index=13} |
| Protection Class | IP65 :contentReference[oaicite:14]{index=14} |
| Power Supply | 24 VDC (10…36 VDC) :contentReference[oaicite:15]{index=15} |
ตารางเปรียบเทียบรุ่นที่เกี่ยวข้อง
| รุ่น | ชนิด | การใช้งาน |
|---|---|---|
| FA 505 | OEM Dew Point Sensor | OEM / Industrial |
| FA 550 | Robust Dew Point Sensor | พื้นที่ทั่วไป/Outdoor |
| FA 510/515 | Dew Point Sensor for Dryers | Adsorption/Refrigeration Dryer |
การใช้งานในอุตสาหกรรม (Application)
- OEM Systems
- Compressed Air Drying Systems
- Gas Moisture Monitoring
- Process and Production Lines
- Quality Control Systems
ข้อดีเมื่อเลือก FA 505
- เหมาะกับพื้นที่ติดตั้งจำกัด
- ความเสถียรและความแม่นยำสูง
- รองรับระบบสื่อสาร Modbus-RTU
- สามารถใช้งานได้ต่อเนื่อง
- ทีมวิศวกรพร้อมให้คำปรึกษา
ข้อมูล Datasheet
ข้อมูลเพิ่มเติม
หมวดเครื่องมือวัดอุตสาหกรรม
บทความความรู้เครื่องมือวัด
Dew Point คืออะไร?








Reviews
There are no reviews yet.